Norma-SB1

Main purpose: packaging of finely dispersed products prone to flow into open-type bags.

Automatic gross or net dosing.

High productivity.

Up to 8 preset dose values can be stored in memory.

Continuous counting and indication of the number of bags per dose from the start of the doser operation (permanent counter).

Counting and indication of the number of bags dosed from a specified time point per dose (replacement counter).

Weight control according to the indicator readings.

Indication of limit switch activation.

Data storage in memory when the power supply is turned off.

Data transfer to a remote computer via RS485 interface, ModBus RTU protocol.

The dispensers are easy to operate and maintain.

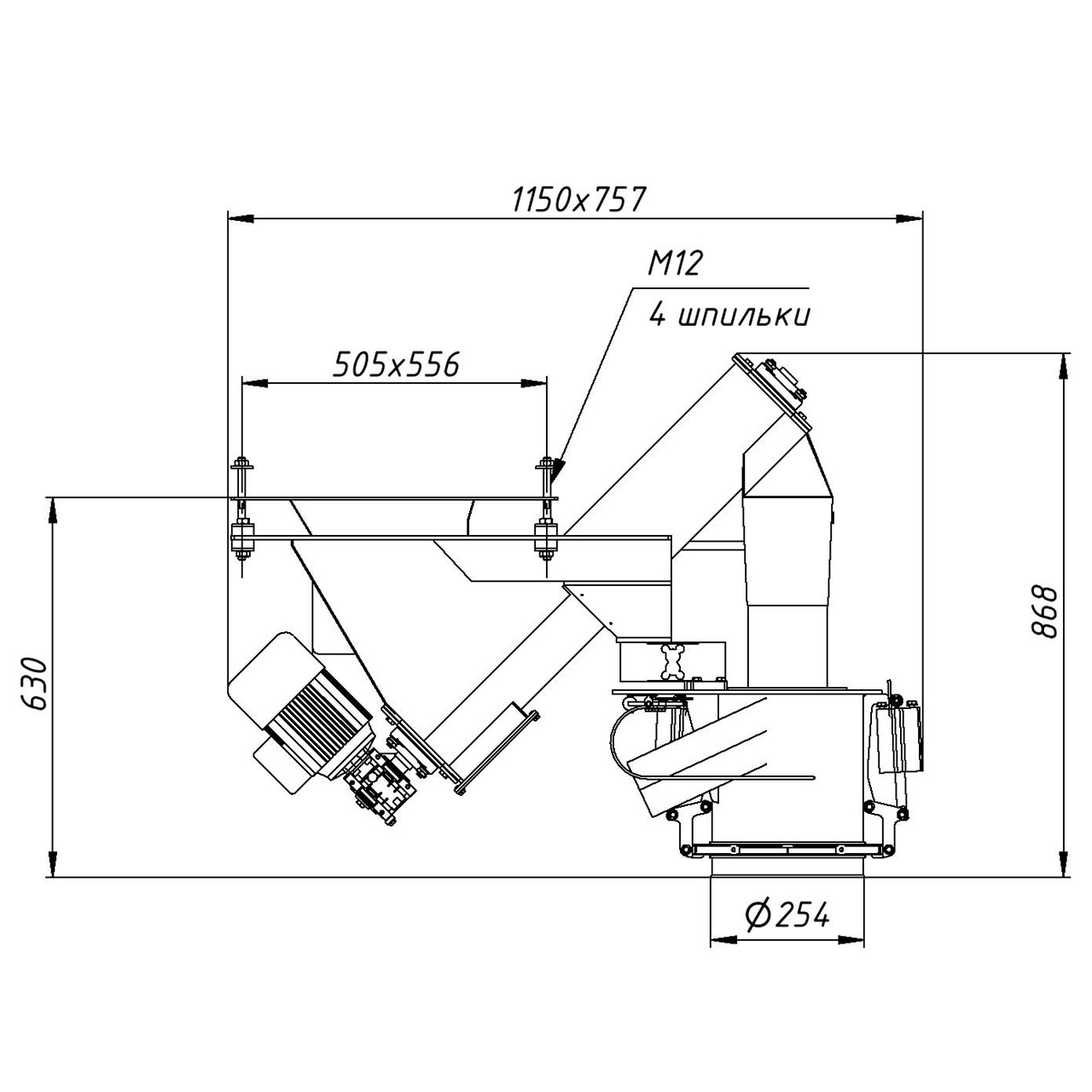
The dispensers are suspended from the storage hopper.

The dispenser is designed to ensure dust removal and disposal.

The NORMA-SB dispenser can be equipped with a knock-out device – a device for compacting the product in the bag.

The company carries out commissioning, warranty and post-warranty service.

Features

Hopper’s capability, dose/hour 200 – 240
Limits of dosing, kg 5-50
Inaccuracy of dosing according to DSTU OIML R61-1:2008

  • from 5 to 15 kg inclusively, no more
  • from 15 to 50 kg inclusively, no more
 

0,5%
0,2%

Width of the sack, no less, m 0,455(0,25*)
Height with the hinged 50kg sack, m 1,75
Hopper’s mass, no more, kg 120
Compressed air consumption at a pressure of 4 atm, max, m3/hour 0,4
Power consumption from a 50 Hz AC mains supply

  • electric motors – three-phase mains supply with a voltage of 380 V, no more than, W
  • control circuits – single-phase mains supply with a voltage of 220 V, no more than, W
 

1500
40

* when using the SMB neck

Photo Gallery